Precision at every step

At Alleima, we pride ourselves on being a trusted partner for leading OEMs, offering comprehensive support and expertise in the design, development, and manufacturing of complex, life-changing medical solutions. Our engineering services and extensive range of advanced processing capabilities are essential in a market where medical devices are becoming smarter and more compact.

With decades of experience and a commitment to continuous innovation, our fine-wire solutions and wire-based components are tailored to meet your unique needs. Your journey to finding the perfect solution for your device application begins here. From precision tolerance coatings to multi-filar micro cables, we assist you in conceptualizing and implementing innovative medical wire solutions, ensuring the highest standards of reliability and quality.

Control is paramount to us. As a leading innovator in metallurgy, we maintain strict oversight of our supply chain. However, we also recognize the importance of agility. Our streamlined initiatives are designed to enhance quality and minimize variability throughout the entire design process.

Discover how Alleima can help you achieve excellence in your medical device designs.

Ultra-fine wire options

Explore our comprehensive range of materials and wire forms to discover the ideal fit for your application.

Alleima manufactures fine medical wire in different product forms and these can be combined with a variety of surface finishes.

Single strand

Our single strand wire offers exceptional dimensional accuracy, surface quality, and material flexibility for advanced medical, electronic, and industrial applications. Available in a wide range of alloys and geometries, these wires can be tailored with coatings, finishes, and mechanical properties to meet your exact requirements.

Whether used as a stand-alone component or as part of an assembly, our single strand wire delivers the strength, conductivity, and reliability your designs demand.

Parameter Specification a close-up of several metal rods
Diameter range 0.010 – 1 mm (0.00039 – 0.0394 in.)
Wire profiles Round, square, rectangular
Surface finishes Gold, nickel, silver plating; oxidized
Coating options Polymer coatings available
Mechanical properties Customizable via heat and cold work

Ribbon wire

Alleima ribbon wire provides exceptional design flexibility and precise dimensional control for advanced medical, electronic, and industrial applications. With customizable aspect ratios and surface finishes, our ribbon wire is engineered to meet the stringent demands of miniaturized, flexible, and space-constrained devices.

Manufactured in a wide range of alloys and available with coatings or surface finishes, ribbon wire is ideal for applications requiring low-profile geometry, optimized winding behavior, or enhanced flexibility.

Parameter Specification a spool of wire on a white background
Thickness range 0.013 – 0.75 mm (0.0005 – 0.03 in.)
Aspect ratio Up to 10:1 standard; higher available upon request
Wire profiles Flat / Ribbon (rectangular cross-section)
Surface finishes Gold, nickel, silver plating; oxidized
Coating options Polymer coatings available
Mechanical properties Customizable via heat and cold work

Multi-filar cables

We offer multi-filar cables for advanced solutions for applications requiring multichannel signal, sensing, or power delivery in compact, flexible form factors. Individual single strand wires are precisely joined into multi-filar or micro-ribbon cable configurations, enabling streamlined assembly, optimized space utilization, and robust mechanical performance.

Multi-filar constructions allow for unmatched customization, including the ability to combine dissimilar alloys within a single cable, apply custom coatings, and optimize bonding characteristics for your device requirements.

Parameter Specification several colored tubes in a row
Strand count Custom, based on application requirements
Strand profiles Round, square, rectangular
Alloy combinations Mixed alloys supported within a single cable
Coating options Polyimide, polyester-imide, polyurethane, PTFE
Bond strength Adjustable to meet assembly and handling needs
Length options Continuous or selectively bonded lengths available
Color coding Industry standard or custom color coding available

Cables

Alleima cable ables offer a highly flexible and customizable solution for advanced medical, electronic, and industrial applications. Formed by twisting or wrapping together multiple single strand or multi-filar wires, these cables deliver superior flexibility, mechanical durability, and design versatility.

Stranded cables provide a dynamic alternative to single-ended wires, allowing for deformation, independent strand movement, and incorporation of multiple alloy types within a single cable. They can be further enhanced with overall polymer or PTFE coatings to meet specific application requirements.

Parameter Specification a close-up of a tube
Cable diameter range 0.018 mm – 0.25 mm (0.0007 – 0.010 in.)
Cable construction Twisted/wrapped single strand or multi-filar wires
Strand coating options Bare or individually coated strands
Overall cable coating Polymer or PTFE overcoating optional
Alloy combinations Mixed alloys supported within a single cable
Cable flexibility Highly flexible; suitable for dynamic assemblies

Cored wire

Cored wires combine the best properties of multiple materials in a single wire design. Featuring a shell-and-core structure, cored wire enables enhanced electrical, mechanical, and radiographic performance tailored for advanced medical applications.

A typical cored configuration includes an Alleima® F562 (MP35N) shell paired with a conductive or radiopaque core material such as silver (Ag), platinum (Pt), gold (Au), or tantalum (Ta). This versatile structure allows for optimized electrical conductivity, radiopacity, fatigue resistance, and biocompatibility within a compact wire profile.

Parameter Specification several different types of cables
Diameter range 0.020 mm – 3 mm (0.0008 – 0.118 in.)
Shell materials Alleima® F562 (MP35N), stainless steels (12R10, 316LVM)
Core materials Silver (Ag), platinum (Pt), gold (Au), tantalum (Ta), others
Standard ccore dimension 25% by area (custom core sizes available on request)
OD tolerances Size dependent but ranging from (± 0.0025 to ± 0.025 mm)
Profile Round

Our wire offering includes an extensive range of stainless steels, precious metals and biocompatible alloys, such as cobalt-chromium (CoCr) alloys.

* The grade meets ASTM F899.

Carbon steel (free-cutting steel)

Alleima grade UNS ASTM
Alleima® 20AP medical wire - -
Alleima® Finemac - -

Precious metals

Type of alloy UNS ASTM
Platinum P04001 B561
Platinum Iridium P04010 B684
Platinum Tungsten - -
Platinum Clad Tantalum - -
Pure Gold P00001 F72
Gold-plated Copper - B488
Silver P07001 B413

CoCrMo (cobalt-chromium-molybdenum) alloys

Alleima grade UNS ASTM
Alleima® F562 medical wire R30035 F562
Alleima® F562 LTi medical wire* R30035 F562

* Low titanium version of Sandvik F562

Sensor Alloys

Constantan
Copper

Kanthal Resistance Alloys

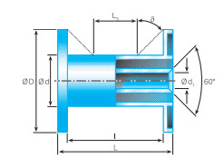
Alleima offers a variety of spool types. Contact your sales representatives for more information if some particular spool type is required.

American standard

Spools
Spool type D in. d in. d1 in. L in. I in. Wire type
2.125" Flange 2.125 1.375 5/8 1.375 1 0.0005 - 0.002
2.5" Flange 2.5 1.76 5/8 3,376 3 0.007 - 0.0031
3.15" Flange 3.15 1.97 5/8 3.15 2.52 0.002 - 0.0063
3.5" Flange 3.5 2.125 2.125  2.438 2.125
5" Flange 5 3 5/8 4.11 3.5 0.0035 - 0.113
6" Flange 6 3.5 5/8 4.11 3.5 0.005 - 0.0253
PT 4 Tapered 5.5 & 4.875 4.375 & 3.875 1 7.875 6.688 0.003 - 0.008
PT 10 Tapered 7.087 x 6.300 4.331 x 3.780 1 9 7.875 0.004 - 0.010
12" Reel 11.75 8 2 3.938 3.62
Anodized Band Spool 2.24 1.98 1.93 1.1 1 Bonding wire

Metric

Spool type D mm d mm d1 mm L mm I mm Wire size mm Ø Normal net weight, kg
C 1/4 64 44 16 61 51 <0.030 0.05 - 0.25
C 1/2  64 44 16 86 76 0.030 - 0.099 0.5
B 1 75 40 16 120 100 0.1 - 0.199  1.0
B 2 90 40 16 120 100 0.20 - 0.25 2.0
B 4  120 50 16 120 100 0.26 - 0.50  4.0

Standard DIN spools

Spool type D mm d mm d1 mm L mm I mm Wire size mm Ø Normal net weight, kg
DIN 50 50 32 11 50 38 0.015 - 0.04 0.10
DIN 63 63 40 11 63 49 0.015 - 0.04 0.20
DIN 80 80 50 16 80 64 0.05 - 0.099 0.75
DIN 100 100 63 16 100 80 0.10 - 0.50 1.5
DIN 125 125 80 16 125 100 0.15 - 0.80 3.0
DIN 160 160 100 22 160 128 0.25 - 0.71 5.0
DIN 200 200 125 36 200 160 0.4 - 0.81 10.0
DIN 250 250 160 36 200 160 0.4 - 1.5 20
DIN 355 355 225 36 200 162 1.0 - 3.0 40
SK 460 460 318 305 105 91 0.25 - 1.8 45

Steeger bobbins

Sizes D / d x I
40 / 30 x 26 mm
40 / 16 x 26 mm
40 / 25 x 26 mm

Discover our wire processing capabilities

a close-up of a machine

Fine-wire drawing

High-precision wire reduction with tight dimensional tolerances. Our drawing process ensures smooth surface finish and consistent performance across a wide range of alloys.

a close-up of several springs

Twisting, stranding, and coiling

Precision coiling for medical and industrial applications. We create tightly controlled coils, straight or shaped, tailored to your geometry, pitch, and material needs.

a person working in a factory

Grinding

Ultra-smooth surfaces and exact tolerances. Our grinding processes deliver tight OD control for demanding medical, electronic, and mechanical components.

a person in a white suit working on a machine

Stripping

Alleima can remove polymer coatings from wire ends with tight tolerances, enabling immediate use in downstream manufacturing. Typical strip lengths range from 5–100 mm and are compatible with most Alleima coatings.

a person looking at a computer screen

Customized capabilities

From surface refinement to cleanroom assembly—our secondary services ensure your wire components are finished, tested, and packaged to meet the highest standards for medical and industrial applications.