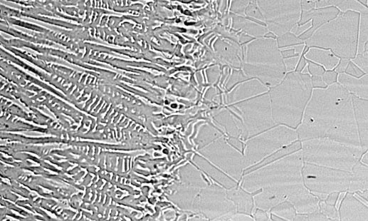
Instead of investing in costly nickel alloys for your heat exchanger tubing, why not choose a cost-efficient alternative? This is why leading producers with demanding process applications are increasingly opting for Sanicro® 35 to bridge the gap between standard duplex or austenitic grades and traditional nickel alloys.
Menu
-
Products
- Wire-based solutions
-
Tube & pipe
- Advancing American Industry through materials technology
- Alleima's new tube production facility, Zhenjiang, China
- Articles
- E-Track
- Tradeshows
- Technical services
- Approvals and standards
- Stock program
-
Tubular products
- Zirconium tubes
- Umbilical tubes
- Titanium tubes
- Thermocouple tubes
- Superheater tubes
- Subsea tubes
- Stripper tubes
- Steam generator tubes
- Scrubber tubes
- Riser tubes
- Reheater tubes
- Recuperator tubes
- Production tubing (OCTG)
- Precision tubes
- Nuclear steam generator tubing
- Nuclear fuel tubes
- Nitric acid tubes
- Muffle tubes
- Medical tubes
- Mechanical tubing
- Laying head pipe
- Lance tubes
- ISO/EN tubes
- Hydraulic and instrumentation tubing
- High-temperature tubes
- High-pressure tubes
- Heat exchanger tubes
- GDI and CNG fuel system tubes
- Furnace tubes
- Flowline piping
- Finned tubes
- Evaporator tubes
- Ethylene furnace tubes
- Downhole casing
- Control lines
- Condenser tubes
- Composite tubes
- Coiled tubing
- Chemical injection lines for demanding energy applications
- Capillary tubes
- Boiler tubes
- Bimetallic tubes
- ASME/ASTM welded pipe
- ANSI/ASME pipe
- Aerospace tubes
-
High-performance materials
- 1250°C heat protection for mineral insulated cables
- Sanicro® 35 Bridges the Gap Between Stainless Steels and Nickel Alloys for Chemical and Refinery Industries
- SAF™ 3007
- SAF™ 3006
- Sanicro 35
- Titanium and zirconium
- SAF™ 2906: Our latest addition for the Urea Industry with enhanced corrosion resistance
- Clean H&I tubing for trouble-free systems
- Alleima® 3R60: advancing the standards for corrosion resistance
- Sanmac® stainless steels
- Sanicro® 28
- Alleima® 2RE10
- Alleima® 2RE69
- Safurex®
- High-temperature stainless steels
- Duplex stainless steels
- List of alloys
- Total Cost of Ownership Calculator
-
Strip steel
- Compressor valve steel
- Razor blade steel
- Doctor blade steel
-
Knife steel
- Outdoor knife steel
- Industrial applications
- Kitchen knives
- Damax™ damascus steel
- Knife steel knowledge
- Size range
- Mechanical properties
- Material selection table
- Our knife steels
-
Hardening guide
- Purpose of hardening and tempering
- The hardening procedure
-
Hardening programs
- Alleima® 7C27Mo2 piece hardening
- Alleima® 7C27Mo2 batch hardening
- Alleima® 19C27 piece hardening deep freezing -70°C/95°F
- Alleima® 19C27 piece hardening
- Alleima® 19C27 batch hardening deep freezing -70°C/-95°F
- Alleima® 19C27 batch hardening
- Alleima® 14C28N piece hardening deep freezing -70°C/-95°F
- Alleima® 14C28N piece hardening deep freezing -20°C/-5°F
- Alleima® 14C28N piece hardening
- Alleima® 14C28N batch hardening deep freezing -70°C/-95°F
- Alleima® 14C28N batch hardening deep freezing -20°C/-5°F
- Alleima® 14C28N batch hardening
- Alleima® 13C26 piece hardening deep freezing -70°C/-95°F
- Alleima® 13C26 piece hardening
- Alleima® 13C26 batch hardening deep freezing -70°C/-95°F
- Alleima® 13C26 batch hardening
- Alleima® 12C27M piece hardening -20°C/-5°F
- Alleima® 12C27M piece hardening
- Alleima® 12C27M batch hardening deep freezing -20°C/-5°F
- Alleima® 12C27M batch hardening
- Alleima® 12C27 piece hardening deep freezing -70°C/-95°F
- Alleima® 12C27 piece hardening deep freezing -20°C/-5°F
- Alleima® 12C27 piece hardening
- Alleima® 12C27 batch hardening deep freezing -70°C/-95°F
- Alleima® 12C27 batch hardening deep freezing -20°C/-5°F
- Alleima® 12C27 batch hardening
- Spring steel
- Shock absorber strip steel
- Medical strip steel
- Size tolerances
- Shape
- Edges
- Surfaces
- List of alloys
- Alloy surcharges
- Distributors
- Plate and sheet
- Furnace products and heating systems
- Coated Strip Steel
- Billets and blooms
- Solid bar and hollow bar
- Alloy surcharges
- Fittings & flanges
-
Technical center
- Certifications
- Corrosion tables
- Corrosion knowledge
- Safety information sheets (SIS)
- Welding guide
- Shielding the weld
- Material datasheets
- Pressure calculations
-
Whitepapers
- Medical Alloy Overview
- Download whitepaper - Steel selection guide
- Download whitepaper - Specialised uses of thermocouple wire in medical devices
- Download whitepaper - Nitinol and its transformative role in medical devices
- Download whitepaper - The design potential of compressors through next-generation valve material
- Download whitepaper - Remote patient monitoring
- Download whitepaper - A cut above
- Download whitepaper - Sensors and remote monitoring
- Download whitepaper - Medical metals and coatings
-
Webinars
- O&G Applications: Technical Benefits of a Seamless Control Line for Downhole Webinar 2
- Corrosion Resistant Alloys for Heat Exchanger in the Chemical Process Industry(2)
- O&G Applcations: Technical Benefits of a Seamless Control Line for Downhole
- The Duplex Stainless Steel Webinar Series: Get the best of both worlds
- Carbon Capture, Utilization, and Storage: Introduction to Material Selection Webinar
- Carbon Capture, Utilization, and Storage: Introduction to Material Selection Webinar
- Captura, Utilização e Armazenamento de Carbono : Uma Introdução a Seleção de Materiais
- Fertilizer Applications: Corrosion Resistant Material Selection
- Corrosion Resistant Alloys for Heat Exchanger in the Chemical Process Industry
- Sanicro 35: Bridging the Gap Between Stainless and Nickel Alloys for Refinery Applications
- Investors
- News & media
- About us
- Sustainability


Sanicro® 35 has crevice corrosion resistance higher than Alloy 625 and at least on par with C-276.
Sanicro® 35 is designed to handle a significantly higher critical pitting temperature than standard grades. Note: 254 SMO is a trademark owned by Outokumpu OY.