Questions?
I'm here to help

Phone: +44 7721 888695
Email: paul.favell@alleima.com

Paul Favell
Global business development manager

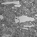
The microstructure is a major difference between our fine-carbide steels and other knife steels such as ASTM 440, D2 and other coarse-carbide knife steels.

By comparing the pictures on the page about purity it is easy to see the large primary carbides of the 440 type steel and the fact that there are no such carbides in our 12C27 in the picture right.

These large primary carbides have a diameter of up to 40 microns compared to the maximum carbide size of our 14C28N / 13C26 / 12C27 / 12C27M / 7C27Mo2 which is 2 microns (average is 0.5 microns). The impact on the edge from these primary carbides is shown in the pictures below.

A used knife edge in a steel of 440 type.:"Fig 1. A used knife edge in a steel of 440 type."

A similar edge made of Alleima® 12C27.:"Fig 2. A similar edge made of Alleima® 12C27."

The knife edge with large carbides (Figure 1 above) will be much more difficult to regrind and it will be more or less impossible to grind this steel to the razor sharpness achievable with our fine-grain steels (Figure 2 above).

a close-up of a black and white photoAlleima® 12C27 before (to the left) and after hardening (to the right) a close-up of a grey surfaceGrain boundary carbide web due to slow quench (500x) a close-up of a black and white speckled surfacePowder steel grade 1.05%C 14%Cr 4%Mo
a close-up of a grey surfacePowder steel grade 1.45%C 14%Cr 2%Mo 4%V a close-up of a grey surfaceSteel grade 1.05%C 14%Cr 4%Mo a close-up of a grey surfaceSteel grade 1.07%C 17%Cr 1%Mo 1.5%Co
a close-up of a white surfaceAlleima® 12C27 knife steel a close-up of a grey speckled surfaceAlleima® 13C26 knife steel a close-up of a grey surfaceSteel grade ASTM 440C
a close-up of a stone surfaceSteel grade D2