ASTM A182, ASME B16.5
Sch 40S
|
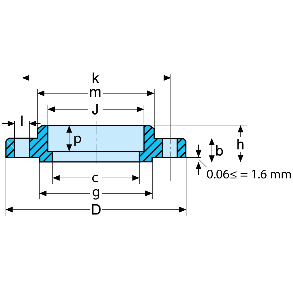
Raised face, smooth finish (125-250 RMS / 3.2-6.3 µm) Product code example:FFSW-304L-1-300-40S |
![]() |
Menu
Fittings & flanges
|
Raised face, smooth finish (125-250 RMS / 3.2-6.3 µm) Product code example:FFSW-304L-1-300-40S |
![]() |
| Pipe | Flange | Hub | Raised face | Drilling template | Weight | Stock standard | |||||||||
|---|---|---|---|---|---|---|---|---|---|---|---|---|---|---|---|
| Nom. size | O.D.1 | D | J | c | P | b | h | m | g | No. of holes | l | k | kg/pce | ASTM 304L | ASTM 316L |
| in. | mm | mm | mm | mm | mm | mm | mm | mm | mm | mm | mm | ||||
| 1/2 3/4 1 1 ¼ |
21.3
26.7 33.4 42.2 |
95.9
117.3 124.0 133.4 |
22.4
27.7 34.5 43.2 |
15.7
20.8 26.7 35.1 |
9.7
11.2 12.7 14.2 |
14.2
15.7 17.5 19.1 |
22.4
25.4 26.9 26.9 |
38.1
47.8 53.8 63.5 |
35.1
42.9 50.8 63.5 |
4
4 4 4 |
15,7
19.1 19.1 19.1 |
60.5
82.6 88.9 98.6 |
0.66
1.15 1.40 1.75 |
●
● ● ● |
●
● ● ● |
| 1 ½ 2 |
48.3
60.3 |
155.4
165.1 |
49.5
62.0 |
40.9
52.6 |
15.7
17.5 |
20.6
22.4 |
30.2
33.3 |
69.9
84.1 |
73.2
91.9 |
4
8 |
22.4
19.1 |
114.3
127.0 |
2.55
2.93 |
●
● |
●
● |
1 O.D. = Outside Diameter
![FFSW-[Converted].png](/cdn-cgi/image/format=auto,fit=crop,width=1000,height=1000,quality=90/contentassets/91bc63476156402692d92a581f5aebbe/ffsw-converted.png?v=1751544544)